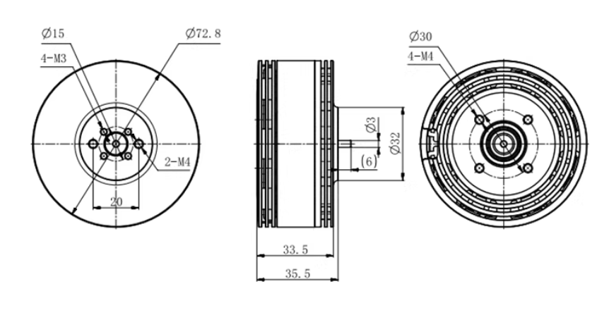
72.8*35.5mm
24N22P
200℃
3mm
354g
>1000h
| Model | KV Value | Maximum Power | Maximum Current | Pull | Efficiency | Awe | Battery | ESC | |
| BG-H6515 | KV | W | A | g | g/W | / | S | A | |
| 170 | 1814.29 | 35.47 | 8160 | 4.5 | 20"straight oar | 14S | 80 | ||
| 170 | 1883.51 | 43.17 | 9034 | 4.8 | 22"straight oar | 12S | 80 | ||
| 220 | 2063.95 | 47.36 | 8708 | 4.22 | 20"straight oar | 12S | 80 | ||
| Model | Accelerator | Voltage | Pulling Force | Torque | Current | Speed | Power | Efficiency | Motor Temperature |
| BG-H6515 KV170 | % | V | g | N.m | A | rpm | W | g/W | ℃ |
| 45% | 51.48 | 2031 | 0.59 | 4.49 | 3755 | 231.15 | 8.79 | 75 | |
| 50% | 51.48 | 2426 | 0.71 | 5.96 | 4108 | 306.82 | 7.91 | ||
| 60% | 51.47 | 3293 | 0.94 | 9.12 | 4768 | 469.41 | 7.02 | ||
| 70% | 51.39 | 4400 | 1.23 | 13.63 | 5455 | 700.45 | 6.28 | ||
| 80% | 51.33 | 5608 | 1.56 | 19.61 | 6172 | 1006.58 | 5.57 | ||
| 85% | 51.26 | 6203 | 1.73 | 23.01 | 6510 | 1179.49 | 5.26 | ||
| 90% | 51.25 | 6854 | 1.92 | 26.88 | 6843 | 1377.6 | 4.98 | ||
| 95% | 51.19 | 7460 | 2.1 | 30.6 | 7117 | 1566.41 | 4.76 | ||
| 100% | 51.15 | 8160 | 2.33 | 35.47 | 7439 | 1814.29 | 4.5 |

