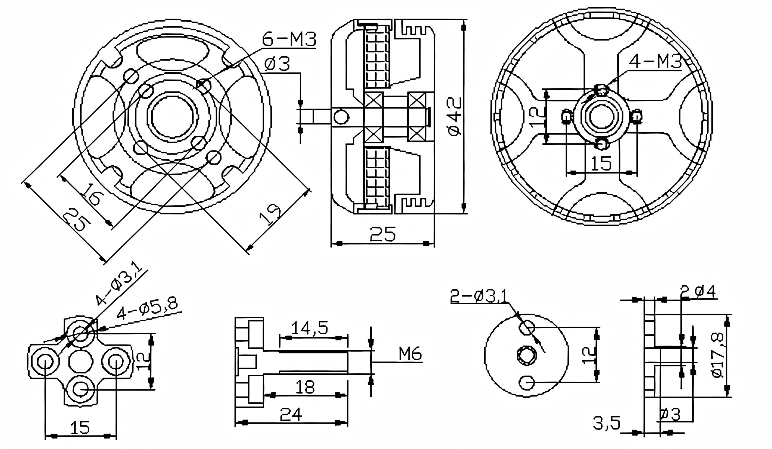
42*25mm
12N16P
200℃
4mm
88g
>1000h
| Model | KV Value | Maximum Power | Maximum Current | Pull | Efficiency | Propeller | Battery Lipo Cells | ESC | |
| BGS-S3508 | KV | W | A | g | g/W | / | S | A | |
| 390 | 231.1854 | 10.33 | 1415 | 6.1206 | 12" | 6S | 50 | ||
| 610 | 261.184 | 11.66 | 1687 | 6.459 | 14" | 6S | 50 | ||
| 720 | 308.85 | 21.75 | 1607 | 5.2032 | 12" | 4S | 40 | ||
| Model | Accelerator | Voltage | Pulling Force | Torque | Current | Speed | Power | Efficiency | Motor Temperature |
| BGS-S3508 KV390 | % | V | g | N.m | A | rpm | W | g/W | ℃ |
| 45% | 22.6 | 355 | 0.0698 | 1.15 | 3557 | 25.99 | 13.6591 | 48 | |
| 50% | 22.65 | 436 | 0.0927 | 1.65 | 3850 | 37.373 | 11.6663 | ||
| 60% | 22.6 | 609 | 0.1383 | 2.82 | 4400 | 63.732 | 9.5556 | ||
| 70% | 22.55 | 780 | 0.1702 | 3.89 | 4921 | 87.72 | 8.892 | ||
| 80% | 22.51 | 978 | 0.2185 | 5.51 | 5420 | 124.03 | 7.8852 | ||
| 85% | 22.5 | 1111 | 0.252 | 6.65 | 5670 | 149.625 | 7.4252 | ||
| 90% | 22.46 | 1227 | 0.2875 | 7.93 | 5917 | 178.108 | 6.8891 | ||
| 95% | 22.45 | 1345 | 0.316 | 9.08 | 6160 | 203.847 | 6.5981 | ||
| 100% | 22.38 | 1415 | 0.344 | 10.33 | 6419 | 231.185 | 6.1206 |

