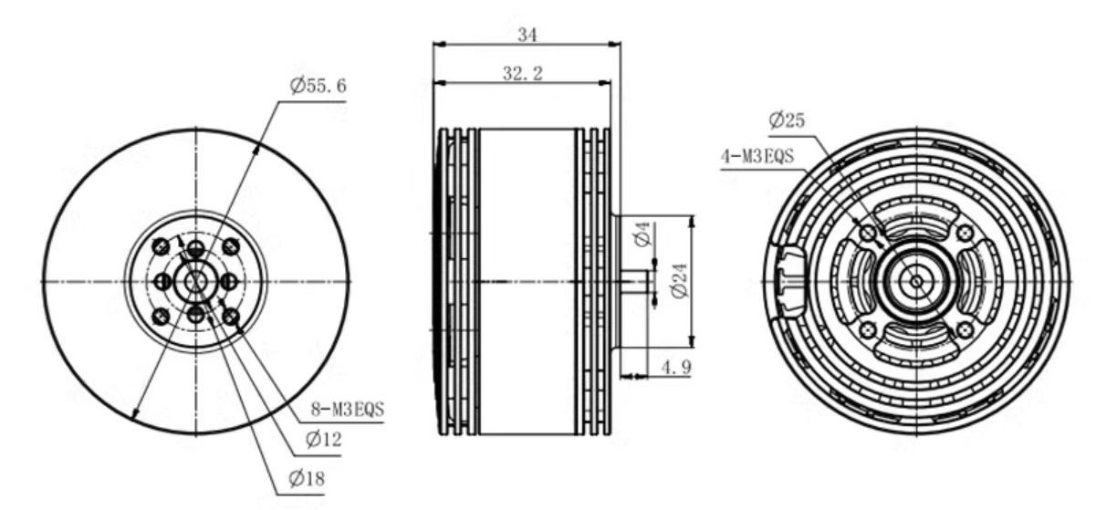
50*15mm
24N28P
200℃
4mm
249g
>1000h
| Model | KV Value | Maximum Power | Maximum Current | Pull | Efficiency | Awe | Battery | ESC | |
| BG-H505 | KV | W | A | g | g/W | S | A | ||
| 120 | 1479.9 | 33.78 | 6370 | 4.3 | 22''folding paddle | 12S | 60 | ||
| 260 | 1551.83 | 35.43 | 6462 | 4.16 | 16''straight oar | 6S | 80 | ||
| 380 | 1248.11 | 59.04 | 5745 | 4.6 | 20''straight oar | 6S | 80 | ||
| Model | Accelerator | Voltage | Pulling Force | Torque | Current | Speed | Power | Efficiency | Motor Temperature |
| BG-H505 KV120 | % | V | g | N.m | A | rpm | W | g/W | ℃ |
| 45% | 44.14 | 2104 | 0.83 | 4.91 | 2482 | 216.73 | 9.71 | 55 | |
| 50% | 44.15 | 2547 | 1.02 | 6.61 | 2731 | 291.83 | 8.73 | ||
| 60% | 44.07 | 3514 | 1.44 | 10.82 | 3163 | 476.84 | 7.37 | ||
| 70% | 44.03 | 4322 | 1.86 | 15.47 | 3506 | 681.14 | 6.35 | ||
| 80% | 43.96 | 5115 | 2.3 | 21.01 | 3843 | 923.6 | 5.54 | ||
| 85% | 43.92 | 5571 | 2.53 | 24.08 | 3986 | 1057.59 | 5.27 | ||
| 90% | 43.9 | 5811 | 2.76 | 27.18 | 4132 | 1193.2 | 4.87 | ||
| 95% | 43.85 | 6118 | 2.99 | 30.25 | 4239 | 1326.46 | 4.61 | ||
| 100% | 43.81 | 6370 | 3.27 | 33.78 | 4316 | 1479.9 | 4.3 |

