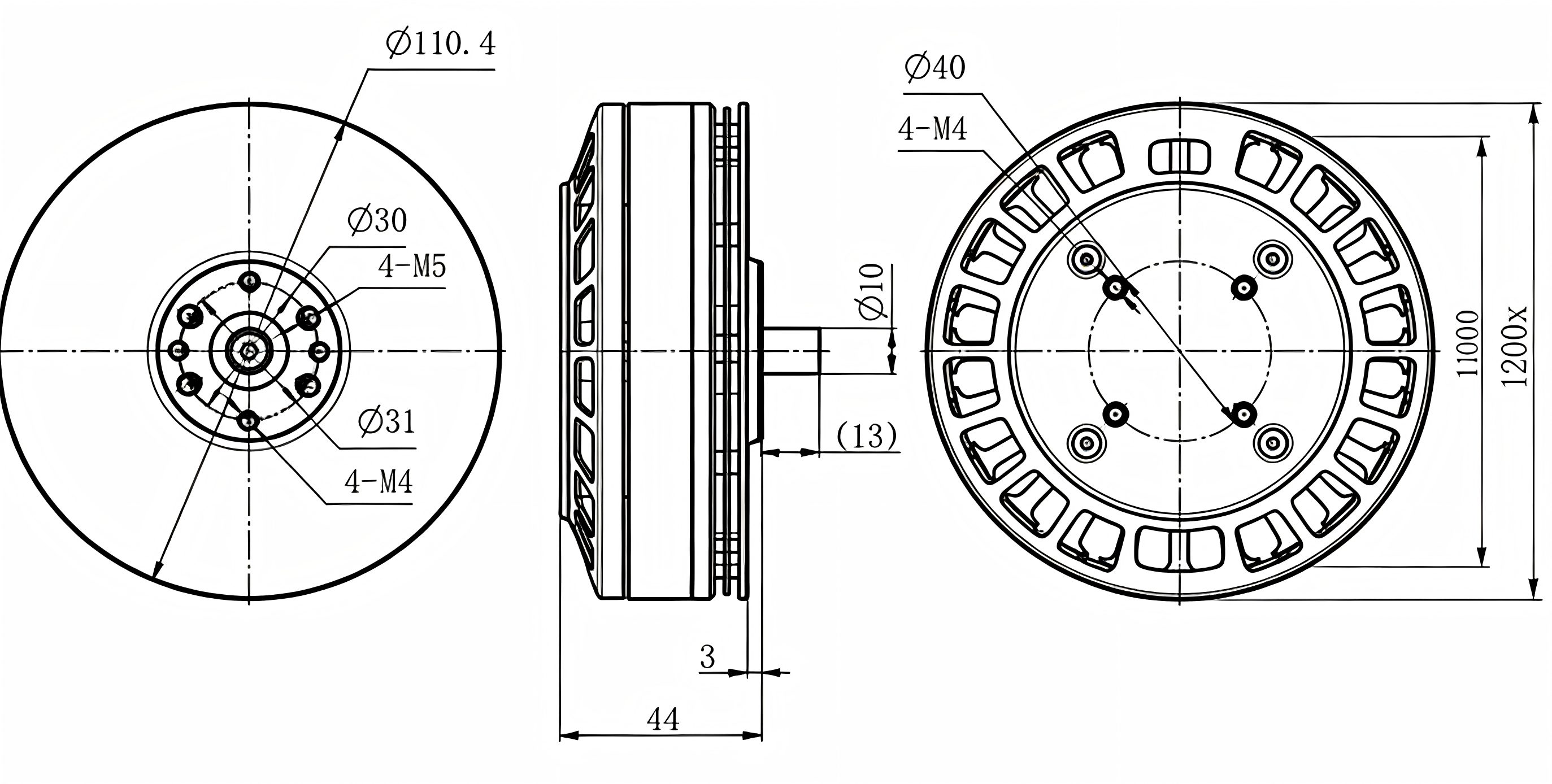
110.4*44mm
24N28P
200℃
/
722g
>1000h
| Model | KV Value | Maximum Power | Maximum Current | Pull | Efficiency | Propeller | Battery Lipo Cells | ESC | |
| BGS-H100 | KV | W | A | g | g/W | / | S | A | |
| 100 | 3418.55 | 79.06 | 15282 | 4.47 | 34" | 12S | 120 | ||
| 115 | 3676.78 | 85.15 | 16475 | 4.48 | 30" | 12S | 120 | ||
| 115 | 4384.66 | 102.04 | 16095 | 3.67 | 32" | 12S | 120 | ||
| Model | Accelerator | Voltage | Pulling Force | Torque | Current | Speed | Power | Efficiency | Motor Temperature |
| BGS-H100 KV100 | % | V | g | N.m | A | rpm | W | g/W | ℃ |
| 45% | 44.07 | 5170 | 2.33 | 10.14 | 1829 | 446.87 | 11.57 | 75 | |
| 50% | 44.01 | 6064 | 2.78 | 13.25 | 2000 | 583.13 | 10.4 | ||
| 60% | 43.96 | 8060 | 3.83 | 21.45 | 2350 | 942.94 | 8.55 | ||
| 70% | 43.8 | 10039 | 5.14 | 32.53 | 2645 | 1424.81 | 7.05 | ||
| 80% | 43.64 | 11857 | 6.4 | 44.75 | 2913 | 1952.89 | 6.07 | ||
| 85% | 43.57 | 12543 | 7.11 | 52.14 | 3053 | 2271.74 | 5.52 | ||
| 90% | 43.44 | 13459 | 8.09 | 70.09 | 3220 | 3038.4 | 4.72 | ||
| 95% | 43.35 | 14349 | 9.01 | 70.09 | 3220 | 3038.4 | 4.72 | ||
| 100% | 43.24 | 15282 | 9.94 | 79.06 | 3285 |

