Home > Product > Vertical Motors > BG-F2305 1600KV 1800KV Durable Brushless Motor for Racing FPV Drone
4 3 3 3 3
  • 1
  • 2
  • 2
  • 2
  • 2

Vertical Motors

BG-F2305 1600KV 1800KV Durable Brushless Motor for Racing FPV Drone

Product Number:BG-F2305
get free solutions compare
Three-phase brushless external rotor motor, 12N14P groove design, focusing on large pulling force, long endurance, low noise, suitable for heavy-duty long-distance cruising, professional film and television aerial photography.
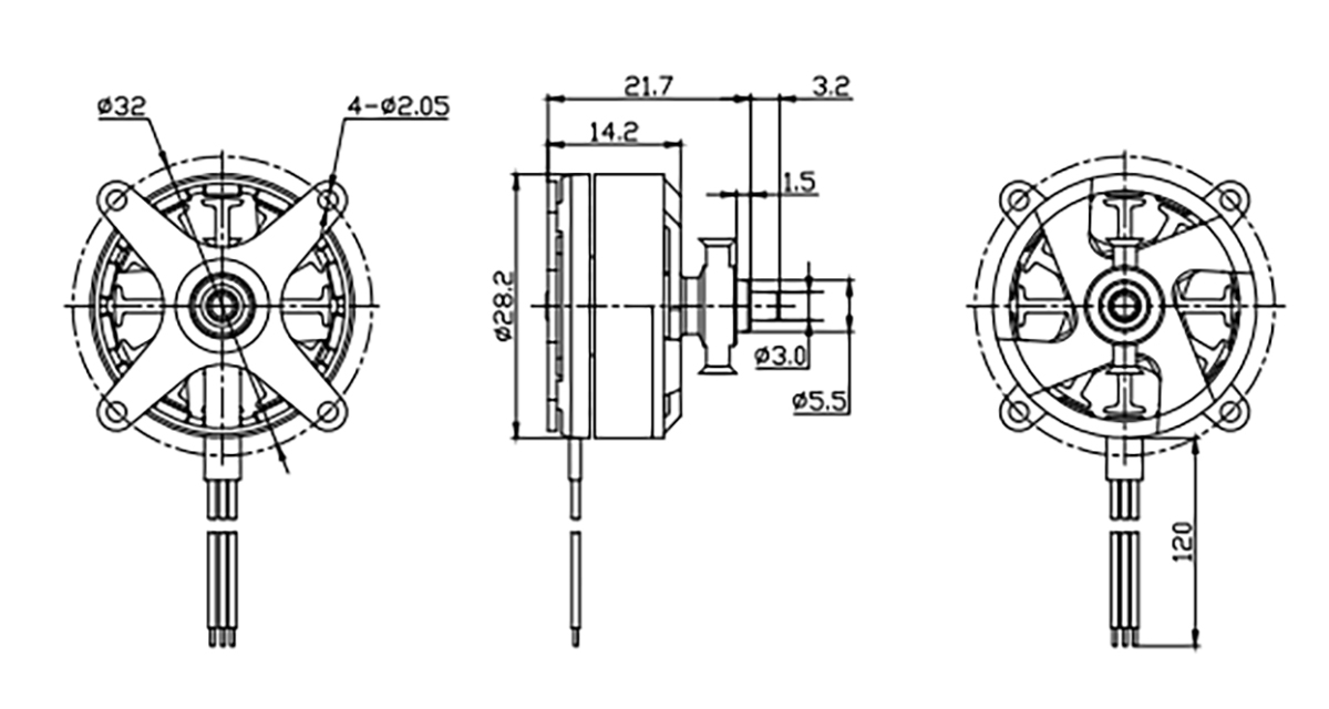
  • Motor dimensions

    28.2*14.2mm

  • Number of slots

    12N14P

  • Copper wire grade

    200℃

  • Shaft diameter

    5.5mm

  • Motor weight

    26g

  • Service life

    >1000h

Basic Data
ModelKV ValueMaximum  PowerMaximum  CurrentPullEfficiencyAweBatteryESC
BG-F2305KVWAgg/W/SA
160010514.24854.680602S30 
160010213.85605.590502S30 
185014419.56854.890502S40 



test data
drawing

cp1.jpg

cp2.jpg

cp3.jpg

cp4.webp


CONTACT FORM

ANYTHING YOU COULDN’T FIND?
Talk with one of our sales representatives

same series of products