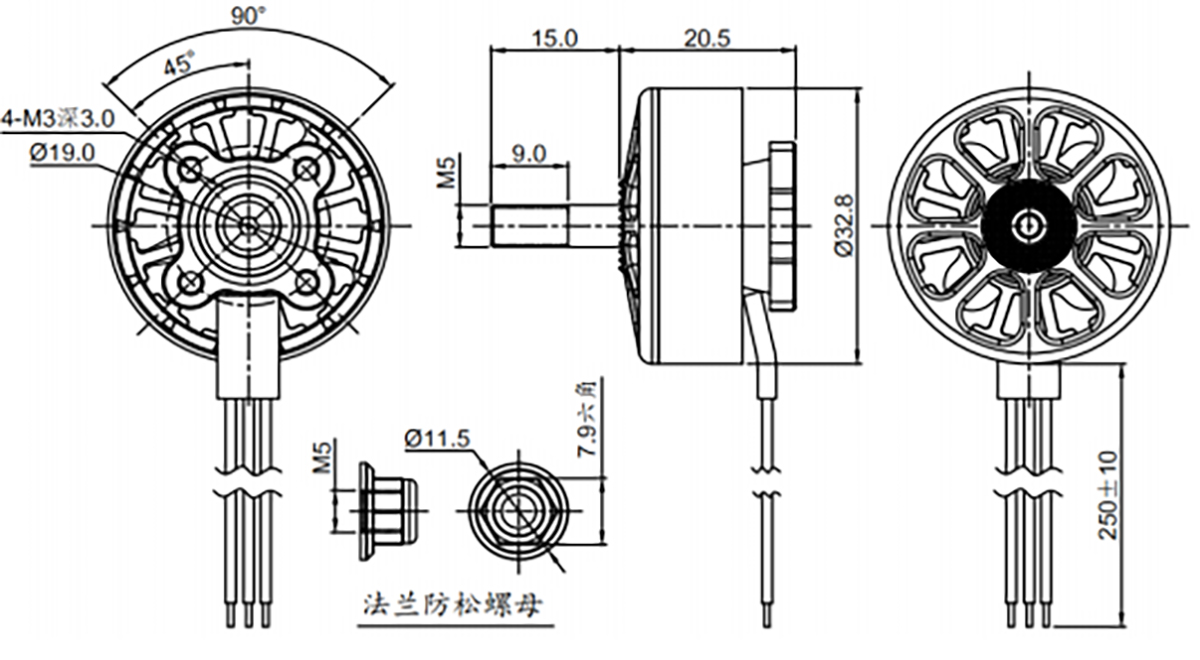
32.8*20.5mm
12N14P
200℃
M5
53g
>1000h
| Model | KV Value | Maximum Power | Maximum Current | Pull | Efficiency | Awe | Battery | ESC | |
| BG-F2808 | KV | W | A | g | g/W | / | S | A | |
| 1500 | 928 | 41.8 | 1930 | 2.08 | 6035 | 6S | 80 | ||
| 1500 | 1032 | 46.5 | 2120 | 2.05 | 7035 | 6S | 100 | ||
| 1900 | 912 | 49.3 | 1920 | 2.11 | 6035 | 6S | 100 | ||



