Home > Product > Fixed-Wing Motors > BG-S2812 1160KV 6S High speed Small volume Lightweight UAV motor
4 3 3 3 3
  • 1
  • 2
  • 2
  • 2
  • 2

Fixed-Wing Motors

BG-S2812 1160KV 6S High speed Small volume Lightweight UAV motor

Product Number:S2812
get free solutions compare
The 28XX series external rotor motors offer compact size, high speed, and efficient performance, making them the ideal choice for mini UAVs and precision small equipment applications.
  • Motor dimensions

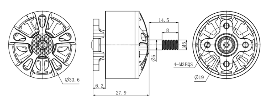
    33.6*27.9mm

  • Number of slots

    12N14P

  • Copper wire grade

    200℃

  • Shaft diameter

    5.0 mm

  • Motor weight

    76g

  • Service life

    >1000h

Basic Data
ModelKV ValueMaximum  PowerMaximum  CurrentPullEfficiencyAweBatteryESC
BG-S2812KVWAgg/W/SA
920791.3532.324653.119"screw propeller6S/
11601325.4554.131502.389"screw propeller6S/



test data
ModelAcceleratorVoltagePulling ForceTorqueCurrentSpeedPowerEfficiencyMotor Temperature
BG-S2812
KV920
%VgN.mArpmWg/W
40%24.5600/5940012.54.946
50%24.5695/6.810550166.64.17
60%24.51010/9.211720225.44.48
70%24.51325/13.213410323.44.1
80%24.51510/18.414950450.83.35
90%24.52080/25.116410614.953.38
100%24.52465/32.317700791.353.11


drawing

多旋翼应用压缩3.jpg

微信图片_20260319133346_3211_8.jpg

CONTACT FORM

ANYTHING YOU COULDN’T FIND?
Talk with one of our sales representatives

same series of products