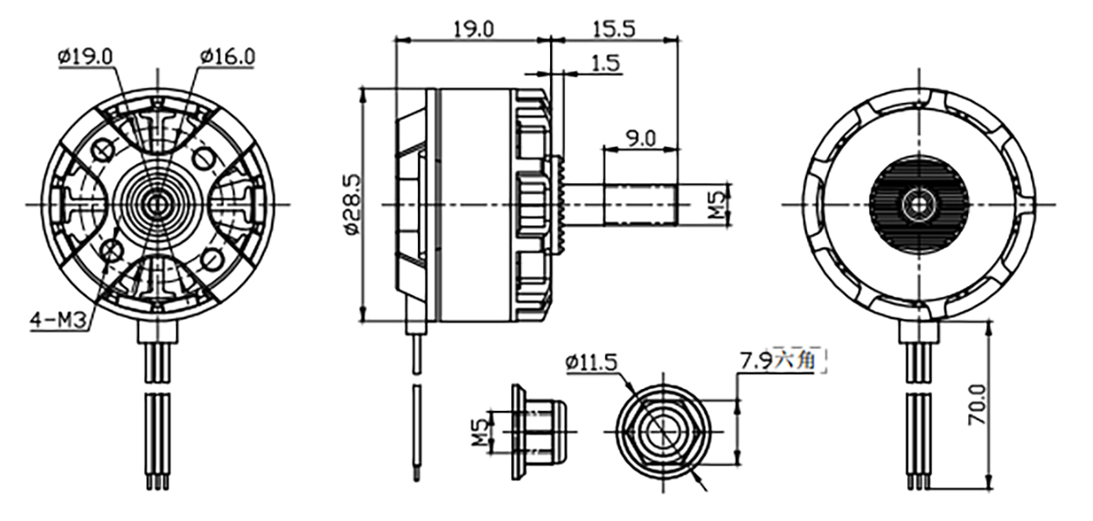
28.5*19mm
12N14P
200℃
M5
36g
>1000h
| Model | KV Value | Maximum Power | Maximum Current | Pull | Efficiency | Awe | Battery | ESC | |
| BG-F2307 | KV | W | A | g | g/W | / | S | A | |
| 2200 | 358 | 24.2 | 850 | 2.4 | 4045 | 4S | 50 | ||
| 2500 | 294 | 26.5 | 822 | 2.8 | 5045 | 3S | 50 | ||
| 2500 | 522 | 35.3 | 1205 | 2.3 | 5045 | 4S | 70 | ||



